N07 Series
Open | Openable along outer radius
- Inner height hi :7mm
- Inner widths Bi : 7 - 30 mm
- Bending radii R : 015 - 048 mm
- Pitch P :13mm
Inner height hi :5 mm
Inner widths Bi : 5-10 mm
Bending radii R : 010-028 mm
Pitch P :10 mm
| Part No. | Bi[mm] | Ba[mm] | R[mm] | Weight[kg/m] |
| N05.05.R | 5 | 9 | 010|012|015|018|028 | ≈0.04 |
| N05.07.R | 7 | 11 | 010|012|015|018|028 | ≈0.04 |
| N05.10.R | 10 | 14 | 010|012|015|018|028 | ≈0.05 |

Pivoting
| Bi[mm] | Part No.
Without tiewrap plates |
| 5 | N050.05.12 |
| 7 | N050.07.12 |
| 10 | N050.10.12 |

To indicate the installation position, please add index A1-A3 To complete the mounting brackets code:
Default positon: A1


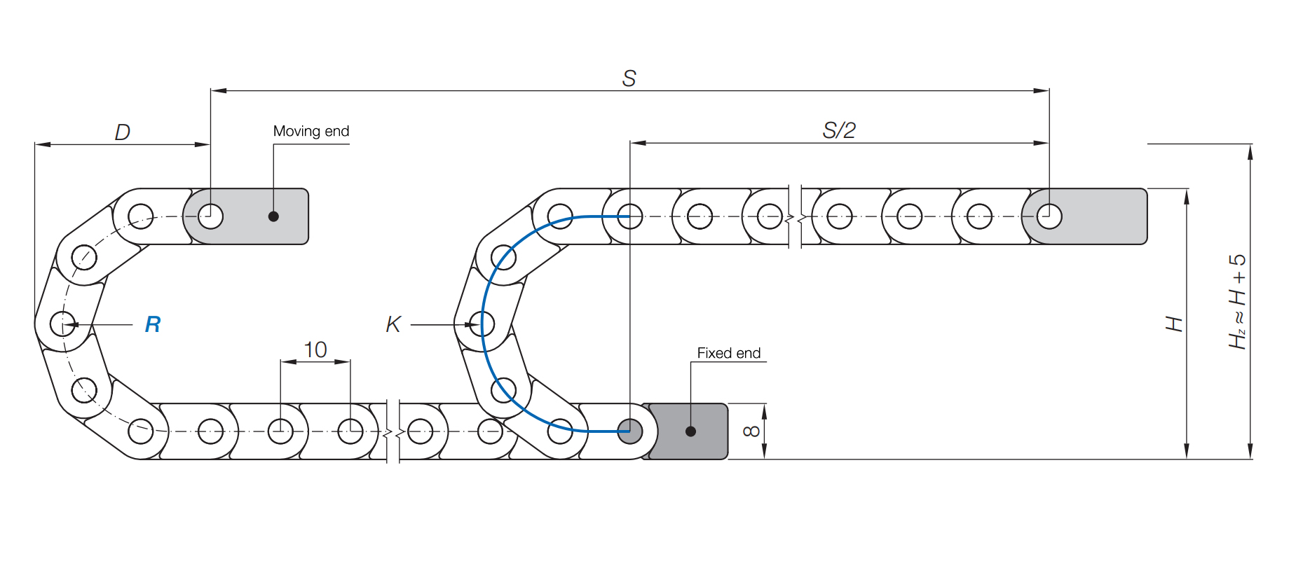
Cable chain length LK = S/2+K
| R[mm] | H[mm] | Hz[mm] | D[mm] | K[mm] |
| 010 | 28 | 33 | 29 | 55 |
| 012 | 32 | 37 | 31 | 60 |
| 015 | 38 | 43 | 34 | 70 |
| 018 | 44 | 49 | 37 | 80 |
| 028 | 64 | 69 | 47 | 110 |

| Unsupported length | ≤ 0.4 m |
| Gliding length | – |
| Vertical hanging | ≤ 2 m |
| Vertical standing | ≤ 0.5 m |
| Side-mounted unsupported | ≤ 0.1 m |
| Speed/Acceleration FLG | ≤ 10 [m/s] / 50 [m/s² ] |
| Speed/Acceleration FLB | ≤ 2 [m/s] / 4 [m/s² ] |
| Gliding speed /Acceleration | – |
Need help buying cable chains?
We will gladly assist you in making the right decision to achieve your business goals